网站首页 恒春概况 产品展示 新闻资讯 荣誉资质 应用业绩 下载中心 联系我们 会员中心 ENGLISH

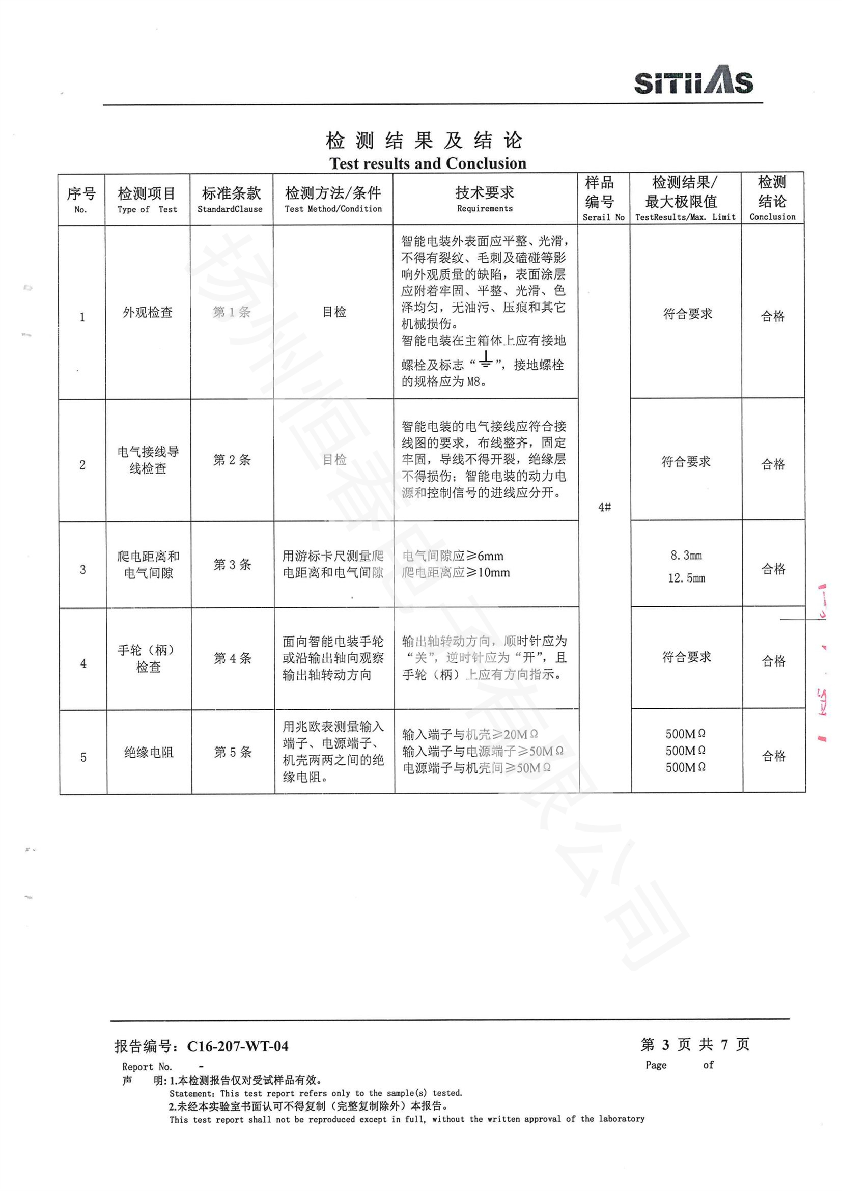
C16-207-WT-04 CKD60IDIW8风门调节挡板配套电动执行机构

时间:2025-11-25 11:11:49 77


版权所有:扬州恒春电子有限公司
|网站地图|服务热线:4006611192|