网站首页
恒春概况
产品展示
新闻资讯
荣誉资质
应用业绩
下载中心
联系我们
会员中心
ENGLISH
网站首页
恒春概况
公司介绍
制造能力
检测能力
荣誉资质
发展历程
企业文化
合作客户
产品展示
电动执行机构
电液执行机构
气液执行机构
气动执行机构
其他执行机构
新闻资讯
新闻中心
荣誉资质
国内认证
国际认证
荣誉
专利
检测报告
应用业绩
库区
油气管道
炼化&化工
电力&环保
核电
其他
下载中心
联系我们
会员中心
语言
中文版
ENGLISH
国内认证
国际认证
荣誉
专利
检测报告
首页
>>
荣誉资质
>>
检测报告
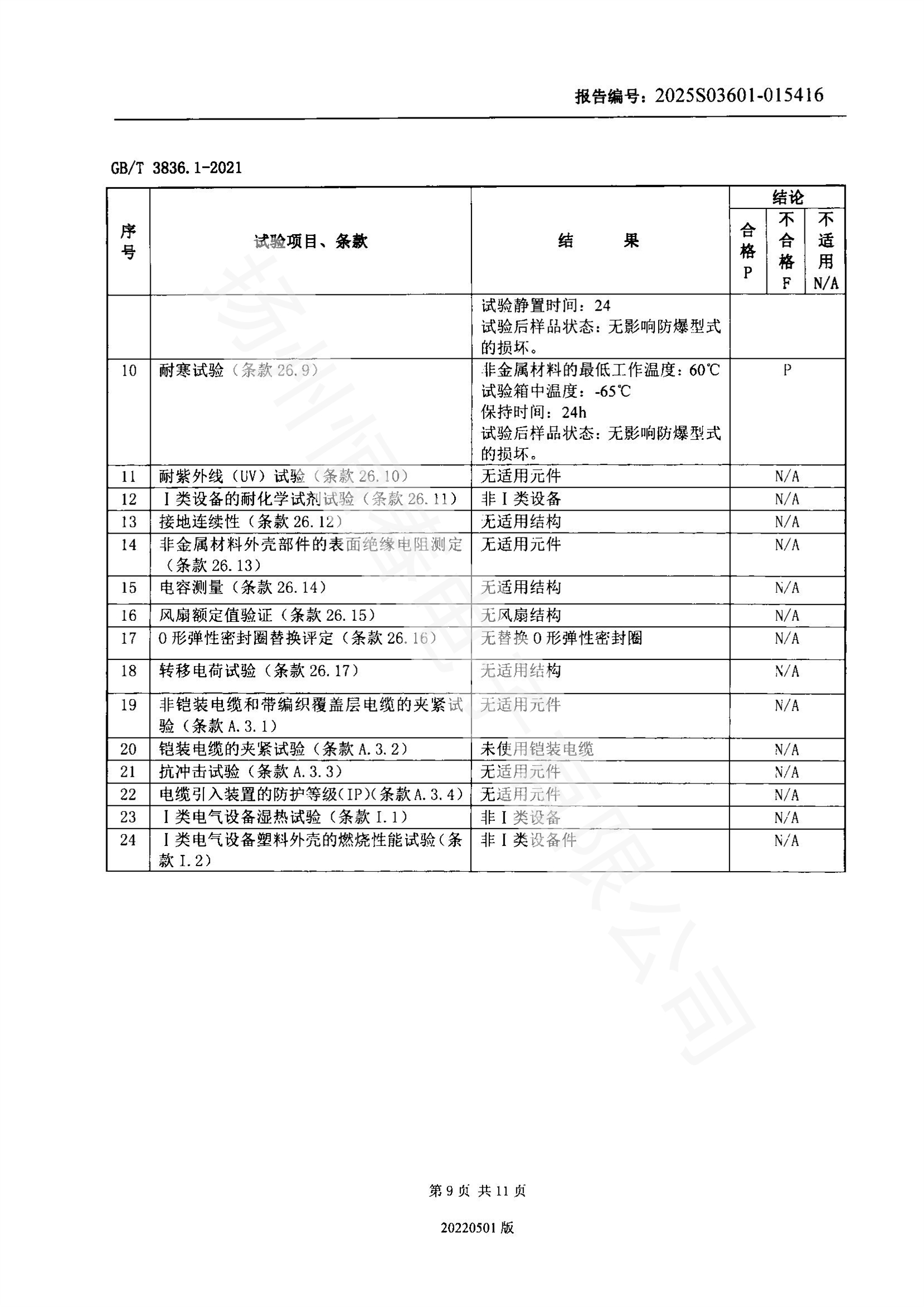
2025S03601-015416 隔爆接线盒
时间:2025-11-25 09:42:38
77
分享到:
QQ空间
新浪微博
腾讯微博
人人网
微信
返回列表
上一篇
2022S03601-007547 CCC型式试验报告
下一篇
2025S03601-015915 隔爆电磁阀报告
其他资质
装备承制单位知识产权管理···
2025-12-02
碳足迹认证证书
2025-12-02
温室气体排放管理体系证书
2025-12-02
能源管理体系证书
2025-12-02
民用核安全设备制造许可证···
2025-12-02
民用核安全设备设计许可证···
2025-12-02
国军标质量管理体系认证证···
2025-12-02
核能行业供应商信用评价证···
2025-12-02
版权所有:扬州恒春电子有限公司
|
网站地图
|服务热线:4006611192|
备案号:苏ICP备16056282号-1